ZJJ15

欲了解更多详细信息,请致电 133-8538-5900

产品描述

液压绞车

ZJJ15 系列

c5b471d161f097fd5371961c688f9b9.png

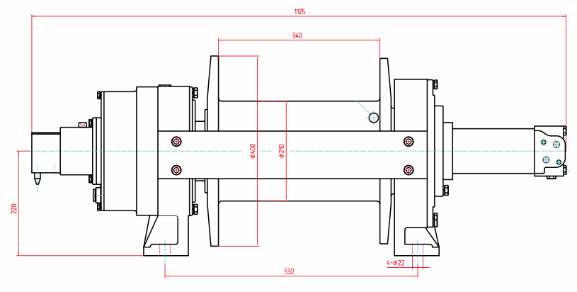
技术参数

清障液压绞车

产品型号能力(T)流量(L/min)第一层单绳拉力(KN)第一层绳速(m/min)钢丝绳直径(mm)容绳量(m)工作压力(Mpa)长*宽*高
ZJJ06MBR80660609112114538*372*25158
ZJJ08AY2MBER160FD108吨60787.5Φ163517660*560*350160
ZJJ08BMBER160FD108吨60986Φ154014620*456*276145
ZJJ10YMB5160AFD510吨60987Φ1860171075*650*405255
ZJJ15YMB5250AFD515吨1101476Φ2270161116*642*420316
ZJJ20Y2MB6315BFD320吨1201966Φ2660171162*650*420350
ZJJ25Y1MB6315BFD325dun1202455.5Φ3055181236*610*550608
ZJJ30BY1MG2300D240101301203008.5Φ3077181266*1075*7101200

注:外形尺寸、马达接口尺寸、传动比等可根据需要设计

相关产品
留言反馈
提交